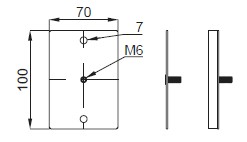
PMU2 Základňa montážna

Overview

POUŽITIE
Inštalácia káblových trás na plochých strechách bez zasahovania do strešnej krytiny. Podstavce zabraňujú poškodeniu krytiny počas inštalácie a prevádzky.

VÝHODY

  • rýchla a bezskrutková montáž
  • základňa je vybavená antivibračnou gumou

MATERIÁL
Oceľ S350GD s povlakom: Magnelis®, MagiZinc®, PosMAC

Back to top ↑

Versions

Symbol Catalogue number Quantity in box Weight 1 pc.
PMU2 856016 50 0,20
Add to project
Back to top ↑